VET MG (DIN 2353 ISO 8434-1)

Резьбовое соединение, T-образное

  • Соединение 1 Метрическая гаечная резьба 
  • Форма уплотнения 1 Патрубок с режущим кольцом 
  • Соединение 2 + 3 Метрическая наружная резьба, цилиндрическая 
  • Форма уплотнения 2 + 3 Внутренний конус 24° 
  • Конструкция T-образная форма 

Властивості VET MG

  • Соединение 1: Метрическая гаечная резьба 
  • Форма уплотнения 1: Патрубок с режущим кольцом 
  • Соединение 2 + 3: Метрическая наружная резьба, цилиндрическая 
  • Форма уплотнения 2 + 3: Внутренний конус 24° 
  • Конструкция: T-образная форма 
  • Модель: Резьбовое соединение с регулировкой положения 
  • Норма: DIN 2353 
    ISO 8434-1 
  • Материал: Латунь 

Варіанти продукту (7)

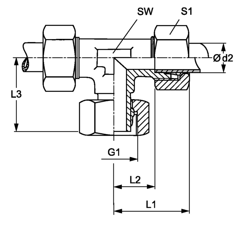
Назва Наружный Ø трубы G1 L1 L2 L3 Ø d2 SW Рабочее давление, бар S1 Дії
VETNW04HLMG 6 M 12 x 1,5 27 12,0 26,0 6 12 PN 200 14
VETNW06HLMG 8 M 14 x 1,5 29 14,0 27,0 8 12 PN 200 17
VETNW08HLMG 10 M 16 x 1,5 30 15,0 28,5 10 14 PN 200 19
VETNW10HLMG 12 M 18 x 1,5 32 17,0 29,0 12 17 PN 200 22
VETNW13HLMG 15 M 22 x 1,5 36 21,0 32,0 15 19 PN 200 27
VETNW16HLMG 18 M 26 x 1,5 40 23,5 36,0 18 24 PN 200 32
VETNW04HSMG 8 M 16 x 1,5 32 17,0 27,0 8 14 PN 250 19

Серия: LL = очень легкая; L = легкая; S = тяжелая

PN = Номинальное давление (бар)

Ø d2 = наружный диаметр трубы

SW, S1, S2, S3 = размер под ключ

Схема продукту


Опис виробу VET MG

Указания по монтажу, установке, нагрузке давлением и допустимым рабочим температурам представлены в технической информации для резьбовых трубных соединений.

Штуцер с накидной гайкой и режущим кольцом

Вгору