XHZR ED (ISO 8434-1)

Обратный клапан, ввертное соединение

  • Форма уплотнения 1 Форма E 
  • Соединение 1 Наружная резьба BSP, цилиндрическая 
  • Форма уплотнения 2 Внутренний конус 24° 
  • Соединение 2 Метрическая наружная резьба, цилиндрическая 
  • Норма ISO 8434-1 

Властивості XHZR ED

  • Форма уплотнения 1: Форма E 
  • Соединение 1: Наружная резьба BSP, цилиндрическая 
  • Форма уплотнения 2: Внутренний конус 24° 
  • Соединение 2: Метрическая наружная резьба, цилиндрическая 
  • Норма: ISO 8434-1 
  • Норма: ISO 8434-1 
  • Конструкция: прямые 
  • Модель: Обратный клапан, ввертное соединение 
  • Материал: Сталь 
  • Защита поверхности: Гальваническое покрытие 

Варіанти продукту (20)

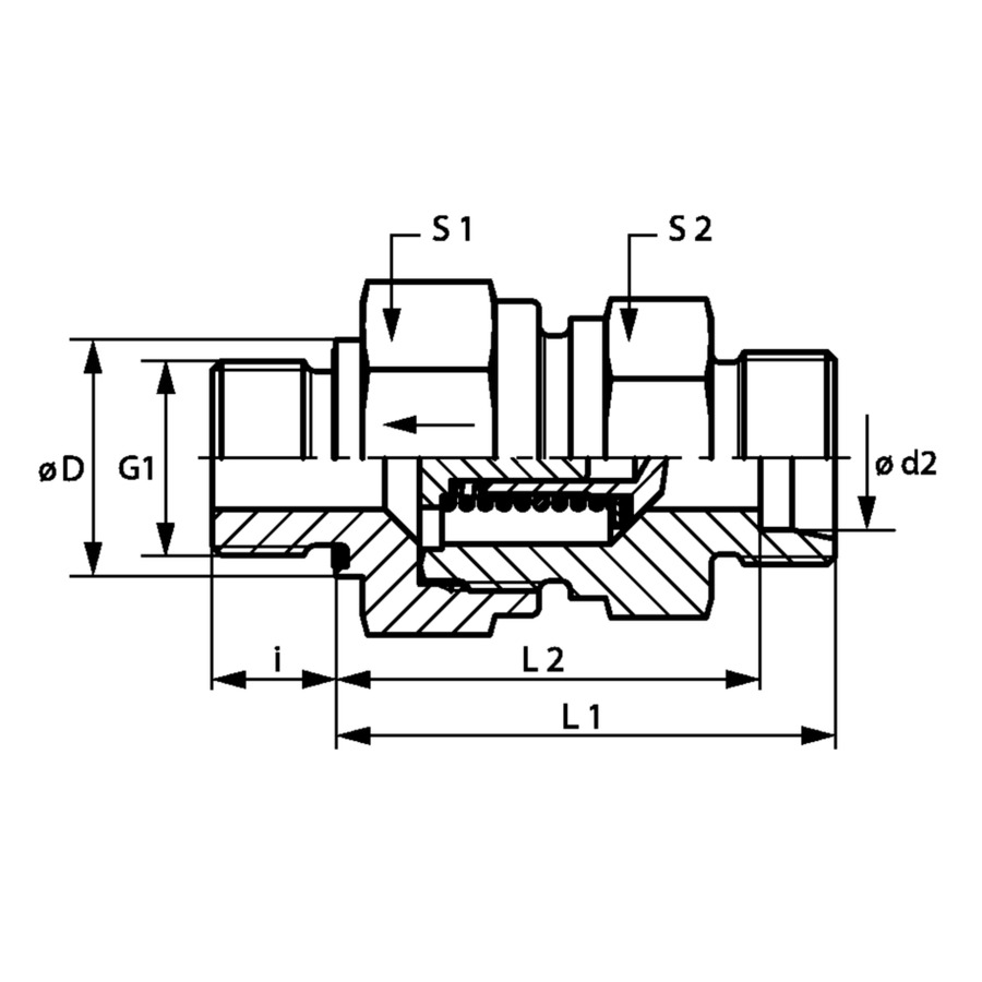
Назва Ø D Давление реагирования G1 Рабочее давление, бар L1 Ø d2 i L2 S1 S2 Дії
XHZRNW04HLED 14 ок. 1 бар G 1/8″ -28 PN 250 33,5 6 8 26,5 17 17
XHZRNW06HLED 19 ок. 1 бар G 1/4″ -19 PN 250 33,5 8 12 28,5 19 19
XHZRNW08HLED 19 ок. 1 бар G 1/4″ -19 PN 250 45,5 10 12 38,5 24 22
XHZRNW10HLED 22 ок. 1 бар G 3/8″ -19 PN 250 47,5 12 12 40,5 30 27
XHZRNW13HLED 27 ок. 1 бар G 1/2″ -14 PN 250 49,5 15 14 42,5 32 27
XHZRNW16HLED 27 ок. 1 бар G 1/2″ -14 PN 160 55,5 18 14 48,0 36 36
XHZRNW20HLED 32 ок. 1 бар G 3/4″ -14 PN 160 63,5 22 16 56,0 46 41
XHZRNW25HLED 40 ок. 1 бар G 1″ -11 PN 100 71,5 28 18 64,0 55 50
XHZRNW32HLED 50 ок. 1 бар G 1.1/4″ -11 PN 100 80,5 35 20 70,0 60 60
XHZRNW40HLED 55 ок. 1 бар G 1.1/2″ -11 PN 100 81,5 42 22 70,5 70 65
XHZRNW03HSED 19 ок. 1 бар G 1/4″ -19 PN 400 38,5 6 12 31,5 19 19
XHZRNW04HSED 19 ок. 1 бар G 1/4″ -19 PN 400 38,5 8 12 31,5 19 19
XHZRNW06HSED 22 ок. 1 бар G 3/8″ -19 PN 400 45,5 10 12 38,0 24 22
XHZRNW08HSED 22 ок. 1 бар G 3/8″ -19 PN 400 48,5 12 12 41,0 27 24
XHZRNW10HSED 27 ок. 1 бар G 1/2″ -14 PN 315 51,5 14 14 43,5 32 27
XHZRNW13HSED 27 ок. 1 бар G 1/2″ -14 PN 315 54,5 16 14 46,0 36 32
XHZRNW16HSED 32 ок. 1 бар G 3/4″ -14 PN 250 60,5 20 16 50,0 46 41
XHZRNW20HSED 40 ок. 1 бар G 1″ -11 PN 250 66,5 25 18 54,5 50 46
XHZRNW25HSED 50 ок. 1 бар G 1.1/4″ -11 PN 250 77,5 30 20 64,0 60 60
XHZRNW32HSED 55 ок. 1 бар G 1.1/2″ -11 PN 250 87,5 38 22 71,5 70 65

Серия: LL = очень легкая; L = легкая; S = тяжелая

PN = Номинальное давление (бар)

PB = макс. Рабочее давление (бар)

Ø d2 = наружный диаметр трубы

Схема продукту


Опис виробу XHZR ED

Указания по монтажу, установке, нагрузке давлением и допустимым рабочим температурам представлены в технической информации для резьбовых трубных соединений.

Направление потока к ввертной цапфе

Поставляется также для давления срабатывания 0,2; 0,5; 2; 3; 5 бар.

Штуцер (без накидной гайки и режущего кольца)

Вгору