XSDR VA (DIN 2353 ISO 8434-1)

Откидное резьбовое соединение, бездроссельное, угол 90°

  • Соединение 1 Наружная резьба BSP, цилиндрическая 
  • Форма уплотнения 1 Кольцо с уплотнительной кромкой 
  • Форма уплотнения 2 Внутренний конус 24° 
  • Соединение 2 Метрическая наружная резьба, цилиндрическая 
  • Модель Откидное резьбовое соединение бездроссельное 

Свойства XSDR VA

  • Соединение 1: Наружная резьба BSP, цилиндрическая 
  • Форма уплотнения 1: Кольцо с уплотнительной кромкой 
  • Форма уплотнения 2: Внутренний конус 24° 
  • Соединение 2: Метрическая наружная резьба, цилиндрическая 
  • Модель: Откидное резьбовое соединение бездроссельное 
  • Конструкция: Угол 90° 
  • Норма: DIN 2353 
    ISO 8434-1 
  • Материал: нержавеющая сталь 

Варианты продукта (25)

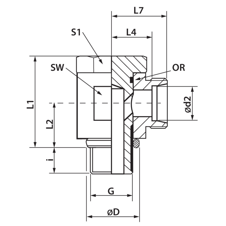
Название Ø D G i L1 L2 L4 L7 Ø d2 SW Рабочее давление, бар S1 Действия
XSDR04LLVA 14 G 1/8″ -28 8 21 10,0 16,0 25,5 4 14 PN 100 14
XSDR06LLVA 14 G 1/8″ -28 8 21 10,0 14,5 26,0 6 14 PN 100 14
XSDR08LLVA 14 G 1/8″ -28 8 21 10,0 14,5 26,0 8 14 PN 100 14
XSDRNW04HLVA 14 G 1/8″ -28 8 24 10,5 12,0 19,0 6 17 PN 315 17
XSDRNW06HLVA 18 G 1/4″ -19 12 30 14,0 14,5 21,5 8 22 PN 315 19
XSDRNW08HLVA 18 G 1/4″ -19 12 30 14,0 15,5 22,5 10 22 PN 315 19
XSDRNW10HL1/4VA 22 G 1/4″ -19 12 30 15,0 15,5 22,5 12 22 PN 315 22
XSDRNW10HLVA 22 G 3/8″ -19 12 36 16,5 18,0 25,0 12 27 PN 315 24
XSDRNW13HLVA 26 G 1/2″ -14 14 45 21,5 21,5 28,5 15 32 PN 315 30
XSDRNW16HLVA 26 G 1/2″ -14 14 45 21,5 21,0 28,5 18 32 PN 315 30
XSDRNW20HLVA 32 G 3/4″ -14 16 53 24,0 27,5 35,0 22 41 PN 160 36
XSDRNW25HLVA 39 G 1″ -11 18 66 30,5 32,0 39,5 28 50 PN 160 46
XSDRNW32HLVA 49 G 1.1/4″ -11 20 76 35,5 36,0 46,5 35 60 PN 160 55
XSDRNW40HLVA 55 G 1.1/2″ -11 22 87 40,5 40,5 51,5 42 70 PN 160 60
XSDRNW03HSVA 18 G 1/4″ -19 12 30 14,0 16,5 23,5 6 22 PN 400 19
XSDRNW04HSVA 18 G 1/4″ -19 12 30 14,0 16,5 23,5 8 22 PN 400 19
XSDRNW06HS1/4VA 18 G 1/4″ -19 12 30 16,5 16,5 24,0 10 22 PN 400 19
XSDRNW06HSVA 22 G 3/8″ -19 12 36 16,5 18,5 26,0 10 27 PN 400 24
XSDRNW08HSVA 22 G 3/8″ -19 12 36 16,5 18,5 26,0 12 27 PN 400 24
XSDRNW10HSVA 26 G 1/2″ -14 14 45 21,5 22,5 30,5 14 32 PN 400 30
XSDRNW13HSVA 26 G 1/2″ -14 14 45 21,5 22,0 30,5 16 32 PN 400 30
XSDRNW16HSVA 32 G 3/4″ -14 16 53 24,0 26,5 37,0 20 41 PN 400 36
XSDRNW20HSVA 39 G 1″ -11 18 66 30,5 31,5 43,5 25 50 PN 250 46
XSDRNW25HSVA 49 G 1.1/4″ -11 20 76 35,5 37,0 50,5 30 60 PN 250 55
XSDRNW32HSVA 55 G 1.1/2″ -11 22 87 40,5 41,5 57,5 38 70 PN 250 60

Схема продукта


Описание изделия XSDR VA

Штуцер (без накидной гайки и режущего кольца)

Вверх