HF (3000 PSI) (SAE J 518 C ISO 6162)

Полуфланец SAE, плоский

  • Модель Полуфланец SAE 
  • Дополнение к модели Плоские 
  • Конструкция прямые 
  • Норма SAE J 518 C 
    ISO 6162 
  • Крепление Отверстие под винт 

Свойства HF (3000 PSI)

  • Модель: Полуфланец SAE 
  • Дополнение к модели: Плоские 
  • Конструкция: прямые 
  • Норма: SAE J 518 C 
    ISO 6162 
  • Крепление: Отверстие под винт 
  • Серия давления: 3000 psi
  • Материал: Сталь C 60 
  • Защита поверхности: Гальваническое покрытие 

Варианты продукта (6)

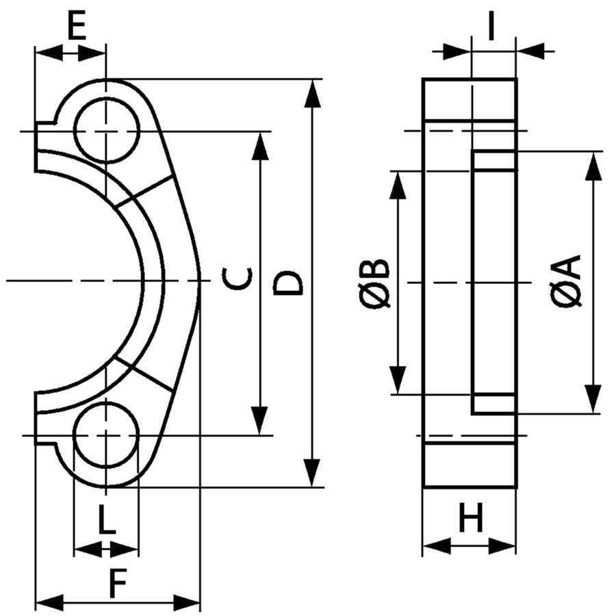
Название D PB Типоразмер A B H I L M unc C E F M метр. Действия
HF3001 54 350 1/2″ 31,0 24,3 13 6,2 9 5/16″ x 1.1/4″ 38,1 8,7 22,8 M 8 x 25
HF3002 65 350 3/4″ 38,9 32,1 14 6,2 11 3/8″ x 1.1/4″ 47,6 11,1 25,9 M 10 x 30
HF3003 70 315 1″ 45,2 38,5 16 7,5 11 3/8″ x 1.1/4″ 52,4 13,1 29,2 M 10 x 30
HF3004 79 250 1.1/4″ 51,6 43,7 16 7,5 11 - 58,7 15,1 36,6 M 10 x 35
HF3005 94 200 1.1/2″ 61,1 50,8 16 7,5 13 1/2" x 1.1/2″ 69,9 17,9 41,1 M 12 x 35
HF3006 102 200 2″ 72,2 62,7 16 9,0 13 1/2" x 1.1/2″ 77,8 21,4 48,2 M 12 x 35

PB = макс. Рабочее давление (бар)

Схема продукта


Описание изделия HF (3000 PSI)

Рекомендуемые винты приводятся в столбцах M (metr) или M (unc).

Только фланец

Вверх