XSWR VA (DIN 2353 ISO 8434-1)

Откидное резьбовое соединение, угол 90°

  • Соединение 1 Наружная резьба BSP, цилиндрическая 
  • Форма уплотнения 1 Кольцо с уплотнительной кромкой 
  • Форма уплотнения 2 Внутренний конус 24° 
  • Соединение 2 Метрическая наружная резьба, цилиндрическая 
  • Модель Откидное резьбовое соединение 

Свойства XSWR VA

  • Соединение 1: Наружная резьба BSP, цилиндрическая 
  • Форма уплотнения 1: Кольцо с уплотнительной кромкой 
  • Форма уплотнения 2: Внутренний конус 24° 
  • Соединение 2: Метрическая наружная резьба, цилиндрическая 
  • Модель: Откидное резьбовое соединение 
  • Конструкция: Угол 90° 
  • Норма: DIN 2353 
    ISO 8434-1 
  • Материал: нержавеющая сталь 

Варианты продукта (14)

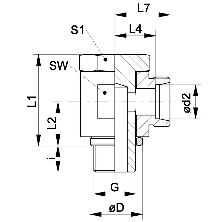
Название Ø D Наружный Ø трубы G i L1 L2 L4 L7 Ø d2 SW Рабочее давление, бар S1 Действия
XSWRNW04HLVA 14,5 6 G 1/8″ -28 6 21,0 10,0 10,5 17,5 6 14 PN 250 14
XSWRNW06HLVA 18,5 8 G 1/4″ -19 9 27,0 13,0 13,0 20,0 8 19 PN 250 19
XSWRNW08HLVA 18,5 10 G 1/4″ -19 9 27,0 13,0 14,0 21,0 10 19 PN 250 19
XSWRNW10HLVA 22,5 12 G 3/8″ -19 9 32,0 15,0 15,5 22,5 12 22 PN 250 22
XSWRNW13HLVA 26,5 15 G 1/2″ -14 11 37,5 18,0 19,0 26,0 15 27 PN 250 27
XSWRNW16HLVA 26,0 18 G 1/2″ -14 11 44,0 21,5 20,5 28,0 18 30 PN 160 27
XSWRNW20HLVA 32,0 22 G 3/4″ -14 13 49,0 24,0 25,5 33,0 22 36 PN 160 32
XSWRNW03HSVA 18,5 6 G 1/4″ -19 9 27,0 13,0 15,0 22,0 6 19 PN 250 19
XSWRNW04HSVA 18,5 8 G 1/4″ -19 9 27,0 13,0 15,0 22,0 8 19 PN 250 19
XSWRNW06HSVA 22,5 10 G 3/8″ -19 9 32,0 15,0 16,0 23,5 10 22 PN 250 22
XSWRNW08HSVA 22,5 12 G 3/8″ -19 9 37,0 18,0 17,0 24,5 12 24 PN 250 24
XSWRNW10HSVA 26,5 14 G 1/2″ -14 11 37,0 18,0 20,0 28,0 14 27 PN 250 27
XSWRNW13HSVA 26,0 16 G 1/2″ -14 11 44,0 21,5 21,5 30,0 16 30 PN 250 27
XSWRNW16HSVA 32,0 20 G 3/4″ -14 13 49,0 24,0 24,5 35,0 20 36 PN 250 32

Серия: LL = очень легкая; L = легкая; S = тяжелая

PN = Номинальное давление (бар)

PB = макс. Рабочее давление (бар)

Ø d2 = наружный диаметр трубы

Схема продукта


Описание изделия XSWR VA

Указания по монтажу, установке, нагрузке давлением и допустимым рабочим температурам представлены в технической информации для резьбовых трубных соединений.

Штуцер (без накидной гайки и режущего кольца)

Вверх