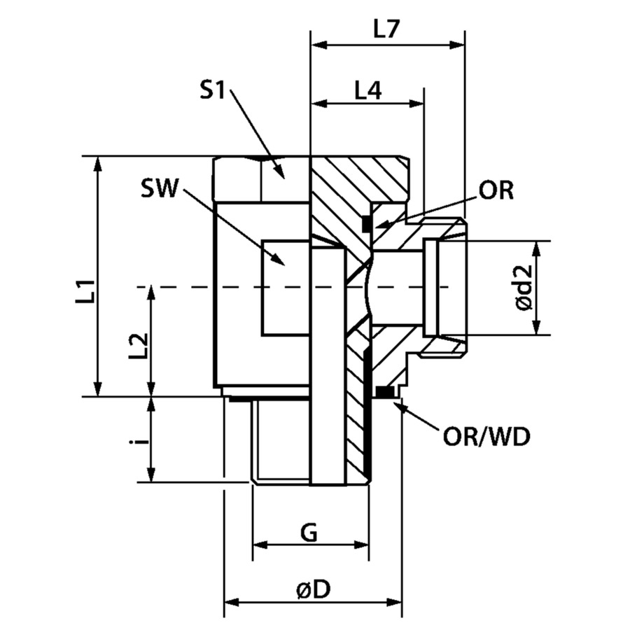
| Название | Ø D | G | i | L1 | L2 | L4 | L7 | Ø d2 | SW | Рабочее давление, бар | S1 | Кольцо круглого сечения | Действия |
|---|---|---|---|---|---|---|---|---|---|---|---|---|---|
| XSDOR04LLVA | 14,5 | G 1/8″ -28 | 8,0 | 23,5 | 10,5 | 14,0 | 18,0 | 4 | 17 | PN 100 | 17 | 7,65 x 1,78 | |
| XSDOR06LLVA | 14,5 | G 1/8″ -28 | 8,0 | 23,5 | 10,5 | 13,5 | 19,0 | 6 | 17 | PN 100 | 17 | 7,65 x 1,78 | |
| XSDOR08LLVA | 14,5 | G 1/8″ -28 | 8,0 | 23,5 | 10,5 | 13,5 | 19,0 | 8 | 17 | PN 100 | 17 | 7,65 x 1,78 | |
| XSDORNW04HLVA | 14,5 | G 1/8″ -28 | 8,0 | 23,5 | 10,5 | 12,0 | 19,0 | 6 | 17 | PN 315 | 17 | 7,65 x 1,78 | |
| XSDORNW06HLVA | 19,0 | G 1/4″ -19 | 13,0 | 29,0 | 14,0 | 14,5 | 21,5 | 8 | 22 | PN 315 | 19 | 11,10 x 1,78 | |
| XSDORNW08HLVA | 19,0 | G 1/4″ -19 | 12,5 | 29,0 | 14,0 | 15,5 | 22,5 | 10 | 22 | PN 315 | 19 | 11,10 x 1,78 | |
| XSDORNW10HL1/4VA | 19,0 | G 1/4″ -19 | 12,0 | 34,0 | 16,5 | 18,0 | 25,0 | 12 | 27 | PN 315 | 19 | 11,10 x 1,78 | |
| XSDORNW10HLVA | 22,5 | G 3/8″ -19 | 12,0 | 35,0 | 16,5 | 18,0 | 25,0 | 12 | 27 | PN 315 | 24 | 14,00 x 1,78 | |
| XSDORNW13HLVA | 27,0 | G 1/2″ -14 | 12,0 | 46,0 | 21,5 | 21,5 | 28,5 | 15 | 32 | PN 315 | 27 | 18,77 x 1,78 | |
| XSDORNW16HLVA | 27,0 | G 1/2″ -14 | 14,0 | 46,0 | 21,5 | 21,0 | 28,5 | 18 | 32 | PN 315 | 27 | 18,77 x 1,78 | |
| XSDORNW20HLVA | 32,5 | G 3/4″ -14 | 16,0 | 52,0 | 24,0 | 27,5 | 35,0 | 22 | 41 | PN 160 | 36 | 23,81 x 2,62 | |
| XSDORNW25HLVA | 40,0 | G 1″ -11 | 18,0 | 64,0 | 30,5 | 32,0 | 39,5 | 28 | 50 | PN 160 | 46 | 29,82 x 2,62 | |
| XSDORNW32HLVA | 50,0 | G 1.1/4″ -11 | 20,0 | 75,0 | 35,5 | 36,0 | 46,5 | 35 | 60 | PN 160 | 50 | 37,77 x 2,62 | |
| XSDORNW40HLVA | 55,5 | G 1.1/2″ -11 | 22,0 | 74,0 | 40,5 | 40,5 | 51,5 | 42 | 70 | PN 160 | 60 | 41,28 x 3,53 | |
| XSDORNW03HSVA | 19,0 | G 1/4″ -19 | 13,0 | 29,0 | 14,0 | 16,5 | 23,5 | 6 | 22 | PN 400 | 19 | 11,10 x 1,78 | |
| XSDORNW04HSVA | 19,0 | G 1/4″ -19 | 13,0 | 29,0 | 14,0 | 16,5 | 23,5 | 8 | 22 | PN 400 | 19 | 11,10 x 1,78 | |
| XSDORNW06HSVA | 22,5 | G 3/8″ -19 | 12,0 | 35,5 | 16,5 | 18,5 | 26,0 | 10 | 27 | PN 400 | 24 | 14,00 x 1,78 | |
| XSDORNW08HSVA | 22,5 | G 3/8″ -19 | 12,0 | 35,0 | 16,5 | 18,5 | 26,0 | 12 | 27 | PN 400 | 24 | 14,00 x 1,78 | |
| XSDORNW10HSVA | 27,0 | G 1/2″ -14 | 12,0 | 46,0 | 21,5 | 22,5 | 30,5 | 14 | 30 | PN 400 | 27 | 18,77 x 1,78 | |
| XSDORNW13HSVA | 27,0 | G 1/2″ -14 | 14,0 | 46,0 | 21,5 | 22,0 | 30,5 | 16 | 30 | PN 315 | 27 | 18,77 x 1,78 | |
| XSDORNW16HSVA | 32,5 | G 3/4″ -14 | 16,0 | 52,0 | 24,0 | 26,5 | 37,0 | 20 | 41 | PN 315 | 36 | 23,81 x 2,62 | |
| XSDORNW20HSVA | 40,0 | G 1″ -11 | 19,0 | 63,0 | 30,5 | 31,5 | 43,5 | 25 | 50 | PN 250 | 46 | 29,82 x 2,62 | |
| XSDORNW25HSVA | 50,0 | G 1.1/4″ -11 | 20,0 | 75,0 | 35,5 | 37,0 | 50,5 | 30 | 60 | PN 160 | 50 | 37,77 x 2,62 | |
| XSDORNW32HSVA | 55,5 | G 1.1/2″ -11 | 22,0 | 74,0 | 40,5 | 41,5 | 57,5 | 38 | 70 | PN 160 | 60 | 41,28 x 3,53 |
PN = Номинальное давление (бар)
PB = макс. Рабочее давление (бар)
Серия: LL = очень легкая; L = легкая; S = тяжелая
Ø = наружный диаметр трубы
Указания по монтажу, установке, нагрузке давлением и допустимым рабочим температурам представлены в технической информации для резьбовых трубных соединений.
NBR уплотненияFPM (Витон) по запросу
Штуцер (без накидной гайки и режущего кольца)