SWR MG (DIN 2353 ISO 8434-1)

Откидное резьбовое соединение, угол 90°

  • Соединение 1 Наружная резьба BSP, цилиндрическая 
  • Форма уплотнения 1 Кольцо с уплотнительной кромкой 
  • Форма уплотнения 2 Внутренний конус 24° 
  • Соединение 2 Метрическая наружная резьба, цилиндрическая 
  • Модель Откидное резьбовое соединение 

Свойства SWR MG

  • Соединение 1: Наружная резьба BSP, цилиндрическая 
  • Форма уплотнения 1: Кольцо с уплотнительной кромкой 
  • Форма уплотнения 2: Внутренний конус 24° 
  • Соединение 2: Метрическая наружная резьба, цилиндрическая 
  • Модель: Откидное резьбовое соединение 
  • Конструкция: Угол 90° 
  • Норма: DIN 2353 
    ISO 8434-1 
  • Материал: Латунь 

Варианты продукта (1)

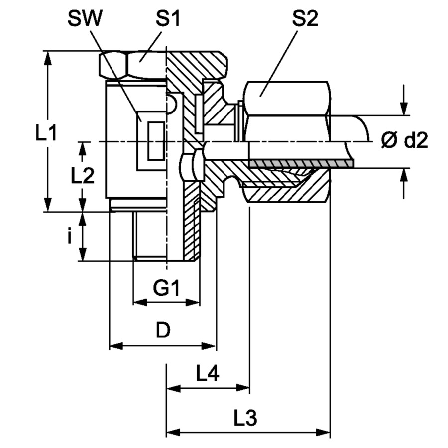
Название Наружный Ø трубы G1 D i L1 L2 L3 L4 Ø d2 SW Рабочее давление, бар S1 S2 Действия
SWRNW08HLMG 10 G 1/4″ -19 18,5 9 27,5 13 29 13,5 10 19 PN 150 19 19

Серия: LL = очень легкая; L = легкая; S = тяжелая

PN = Номинальное давление (бар)

PB = макс. Рабочее давление (бар)

Ø d2 = наружный диаметр трубы

Схема продукта


Описание изделия SWR MG

Указания по монтажу, установке, нагрузке давлением и допустимым рабочим температурам представлены в технической информации для резьбовых трубных соединений.

Штуцер с накидной гайкой и режущим кольцом

Вверх