BK 090 F (ISO 3547 DIN 1494)

Гильза цилиндра, BK090-F

  • Модель Маслонаполненный подшипник скольжения из прокатанной бронзы 
  • Дополнение к модели Втулки могут быть использованы для вращательных и колебательных движений 
  • pv с консистентной смазкой: 2,8 Н/мм² x м/с 
    с масляной смазкой: 10 Н/мм² x м/с 
  • допустимая нагрузка статично: 140 Н/мм² 
    вращение, колебание 70 Н/мм² 
  • Скорость скольжения макс. 1 m/s

Свойства BK 090 F

  • Модель: Маслонаполненный подшипник скольжения из прокатанной бронзы 
  • Дополнение к модели: Втулки могут быть использованы для вращательных и колебательных движений 
  • pv: с консистентной смазкой: 2,8 Н/мм² x м/с 
    с масляной смазкой: 10 Н/мм² x м/с 
  • допустимая нагрузка: статично: 140 Н/мм² 
    вращение, колебание 70 Н/мм² 
  • Скорость скольжения макс.: 1 m/s
  • коэффициент трения: со смазкой: от 0,05 до 0,15 
  • коэффициент теплового расширения: 11 x 10-6 K-1 
  • коэффициент теплопроводности: 60 W/(m·K)
  • Температура min.: -50 °C
  • Температура макс.: 150 °C
  • Удельное давление: 140 (≤ Н/мм²) 
  • Материал: Бронзовый сплав CuSn8 
  • Применение: Гидравлика 
  • Норма: ISO 3547 
    DIN 1494 

Варианты продукта (16)

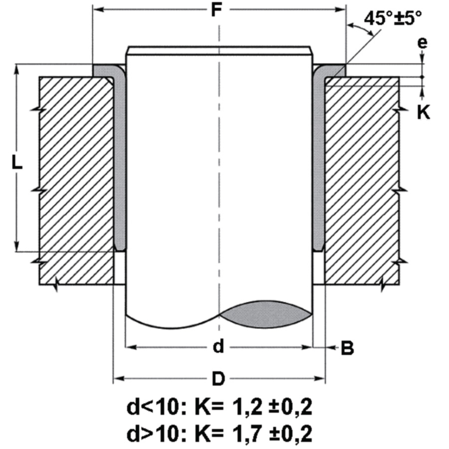
Название D d L e F Действия
BK090-2525F 28 25 25 1,5 35
BK090-3030F 34 30 30 2,0 45
BK090-3535F 39 35 35 2,0 50
BK090-4040F 44 40 40 2,0 55
BK090-4530F 50 45 30 2,5 60
BK090-5050F 55 50 50 2,5 65
BK090-6030F 65 60 30 2,5 75
BK090-6060F 65 60 60 2,5 75
BK090-6065F 65 60 65 2,5 75
BK090-6530F 70 65 30 2,5 80
BK090-7040F 75 70 40 2,5 85
BK090-7070F 75 70 70 2,5 85
BK090-8040F 85 80 40 2,5 100
BK090-8080F 85 80 80 2,5 100
BK090-9090F 95 90 90 2,5 110
BK090-12090F 125 120 90 2,5 140

Схема продукта


Описание изделия BK 090 F

Рекомендуется выполнить первичное смазывание консистентной смазкой, постоянное добавление смазочного материала существенно увеличит срок эксплуатации подшипника скольженияУчитывать глубину шероховатости вала Ra Учитывать твердость вала 150 Описание Не требуется техобслуживания во время эксплуатации.Предусмотрена последующая смазка.Для использования в загрязненной среде.Вибропрочный и ударопрочный.Высокая допустимая нагрузка.Хорошая устойчивость к трению и износу.Не поглощает воду.Незначительный зазор при эксплуатации.Очень компактный.

Вверх